工業燃氣烘箱 天然氣烘箱生產廠家
天 然氣烘箱控制系統,因烘箱的溫度不是很高,一般在200-500度,要實現一個好的控制方法來保證,主要燃燒系統,采用變頻輸出,比例控制,才能達到好的效果,廣泛用于高精度產品的加熱,祥細咨詢南京萬 能加熱設備廠。
技術參數選用方法:
1.天 燃氣消耗量5-10m3/h
2.天 燃氣壓力 5000Pa
3.額定溫度500℃
4.溫度均勻性±5度
5.控溫精度±1度
6.工作室尺寸2500X2000X2000(深×寬X高)
7.控制方式, 數顯儀表、液晶顯示微電腦觸摸控制。并設有超溫報 警功能。
8.爐內板材采用冷軋板,爐內采用不銹鋼板,
9.設備為雙 開門
|
型號
|
爐堂尺寸
(深X寬X高mm)
|
使用溫度℃
|
燃燒功率
|
燃氣壓力
Pa
|
工作電壓(V)
|
|
NJZ-1-10
|
1500x1500x1500
|
200-500
|
6萬大卡
|
4000-6000
|
220/380
|
|
NJZ-2-15
|
1800x1500x1800
|
200-500
|
10萬大卡
|
4000-6000
|
220/380
|
|
NJZ-3-20
|
2400x1500x1800
|
200-500
|
15萬大卡
|
4000-6000
|
220/380
|
|
NJZ-4-30
|
2500x1600x2000
|
200-500
|
20萬大卡
|
4000-6000
|
220/380
|
|
NJZ-5-40
|
3000x1800x1800
|
200-500
|
25萬大卡
|
4000-6000
|
220/380
|
|
NJZ-6-50
|
4000X2000X2000
|
200-5000
|
30萬大卡
|
4000-6000
|
220/380
|
|
NJZ-6-60
|
6000X2000X2000
|
200-5000
|
35萬大卡
|
4000-6000
|
220/380
|
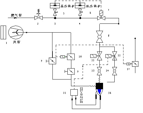
天然氣全自動恒溫加熱系統主要由燃燒系統和電控系統兩大部分組成。
當天然氣通過調壓系統把管道天然氣從壓力0.1MPa減壓至6000 Pa,為加熱系統提供能源,并配壓力開關和電動快切閥實現過壓、欠壓自動安全保護。空氣恒壓系統通過壓力變送器反饋值與設定值比較,其差值經PLC對變頻器進行PID控制,從而調整風機轉速,實現供風量恒壓,滿足燃燒器需要。加熱控制系統的PLC根據溫度設置值與反饋值進行比較采用大、小火脈沖燃燒方式實現恒溫控制。由于大小火燃燒方式噴口溫度變化微小,由噴出總量的大小來恒定爐溫,燃空比穩定,有效的降低能耗及爐溫波動。
工業燃氣烘箱 天然氣烘箱生產廠家
上一篇:
燃氣烘箱制造廠家
下一篇:
高溫燃氣烘箱

微信
